Z-LASER model Z80M18S3-F-660-lp45 Featured

Highlights• Manual or fixed focus• TTL modulation up to 500 kHz• Analog intensity control• Optical output power up to 120 mW• Wavelengths from 520 - 685 nm• Industrial standard• IP67














 





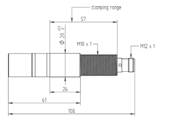
Machine Vision,Triangulation Sensors,High-Precision Positioning Tasks,3D-Measurement System specifications



Wavelength nm 
520
532
635-685


Wavelength tolerance nm (typical) 
 -5~+10
± 1
 ±10


Wavelength drift nm / K (typical) 
0.06
0.06
0.25


Output power mW 
≤40 
≤40 
≤120


Electronic versions 
B3 

B, S3


Pointing Stability μrad / °C 
<15


Long-term power stability (24h) 
±3 % over operating temperature range



Electrical specifications



Operating voltage 
5 ~ 30 VDC


Operating current (max....

继续阅读完整内容

请查看下方广告以解锁文章剩余内容

广告加载中...

Additional Info

  • Area: Beijing
  • Price: 15000
  • Phone: 18519213808
  • Email: This email address is being protected from spambots. You need JavaScript enabled to view it.
Read 18417 times